设为首页
收藏本站
执行元件
控制元件
空气过滤组合
气动工具
辅助元件
空气压缩机
您现在的位置:上海.山耐斯
-
产品中心
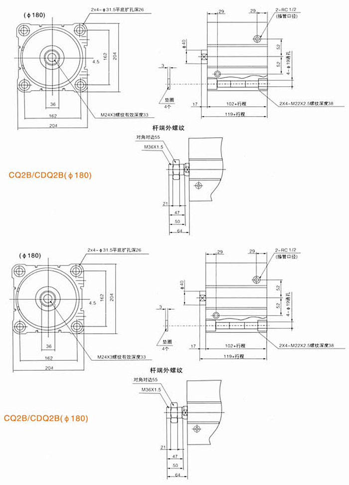
CQS系列 薄型气缸(大缸径)系列
型号选择
规格
行程
外形尺寸图
安装尺寸
Copyright © 2010 All Rights Reserved 上海山耐斯气动元件有限公司 版权所有
制造地:浙江磐安工业园区大兴路1号 联系电话:18057920777 (微信同号)
地址:上海市奉贤区青村镇工农村工业园区 联系电话:13757875065 销售热线:400-1155-177
亿新科技
技术支持
沪ICP备14001271号-1